EFRD
描述
技术说明
用途:回油/管路过滤器
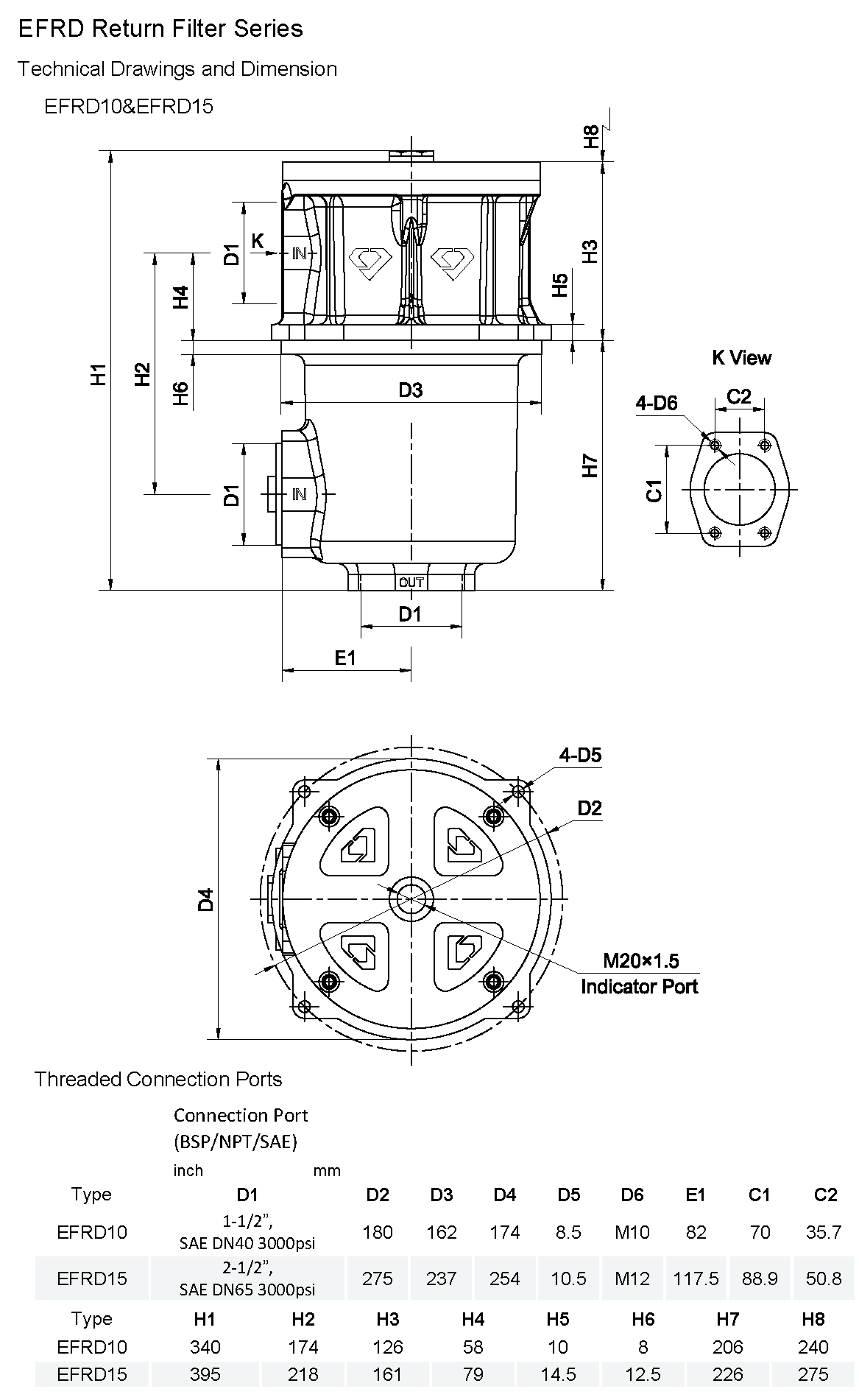
接口尺寸:G 1½” , G 2½”,NPT1½” ,NPT2½”,
SAE DN40 3000psi, SAE DN65 3000psi,
流量:至650 l/min
工作压力:最大至20 bar
爆破压力:60 bar
滤芯压差:10 bar
旁通阀开启压力:ΔP =3 bar ±10%
密封:丁腈橡胶或氟橡胶(-10°C至100°C)
材料:铸铝
与介质相容性:适用于矿物油、润滑油、抗燃油和可快速生物分解的介质.
(若用于含水介质,请咨询我们的技术部。)
测试标准:
ISO2941 抗破裂性检验
ISO2942滤芯结构完整性试验
ISO2943材料与液体相容性检验
ISO3723滤芯额定轴向载荷检验
ISO3724液压滤芯流动疲劳特性的验证
ISO3968压降流量特性的评定
ISO16889评价滤芯过滤性能的多次通过法
其他信息
| 表1 | 10, 15 |
|---|---|
| 表2 | BF, BJ, NF, NJ, FE, FG |
| 表3 | 00, 08 |
| 表4 | B, V |
| 表5 | P10, P20, F03, F05, F10, F20, W25, W60, W90, W125 |
| 表6 | 00, V20, E20 |
您需要在 登录后发表评论。.









评论
目前还末有评论