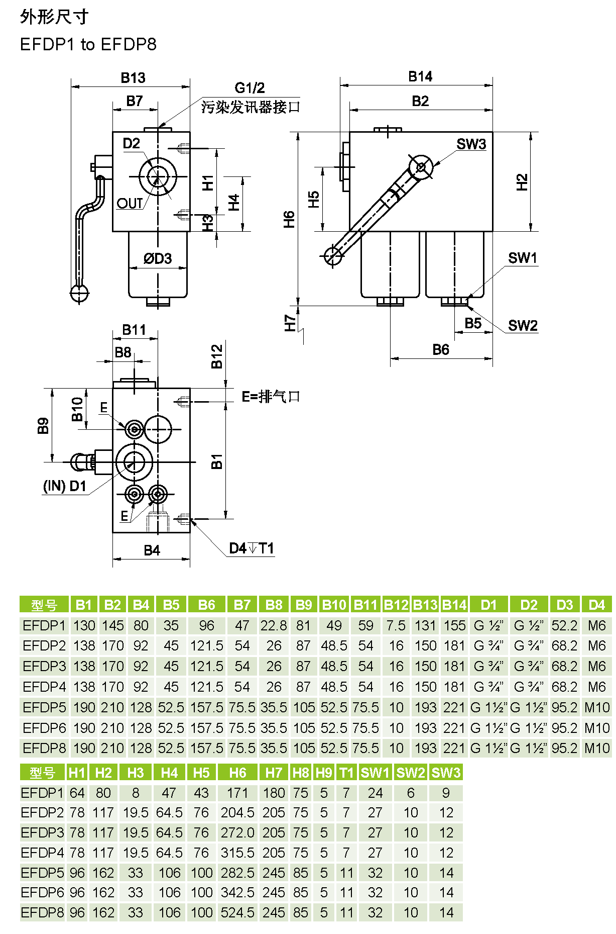
EFDP
描述
技术说明
用途:双筒管路高压过滤器
接口尺寸:G ½”, G¾”, G1½” , SAE DN50 6000 psi
流量:至600 l/min
工作压力:最大315 bar
爆破压力:950 bar
滤芯压差:21 或210 bar(玻璃纤维)30bar(金属网)
指示器设定压力:ΔP = 8 bar ±10%
密封:丁腈橡胶或氟橡胶(-10°C至100°C)
材料:铸铁
与介质相容性:适用于矿物油、润滑油、抗燃油和可快速生物分解的介质.(若用于含水介质,请咨询我们的技术部。)
测试标准:
ISO2941 抗破裂性检验
ISO2942滤芯结构完整性试验
ISO2943材料与液体相容性检验
ISO3723滤芯额定轴向载荷检验
ISO3724液压滤芯流动疲劳特性的验证
ISO3968压降流量特性的评定
ISO16889评价滤芯过滤性能的多次通过法
关于产品的问题?
其他信息
| 表1 | 1, 2, 3, 4, 5, 6, 8, 9, 11, 12, 15, 17 |
|---|---|
| 表2 | BB, BC, BF, SF |
| 表3 | B, V |
| 表4 | M03, M05, M10, M20, H03, H05, H10, H20, Y25, Y60, Y90, Y125 |
| 表5 | 00, 8PV, 8PE, 8PB |
您需要在 登录后发表评论。.










评论
目前还末有评论