EFSP
根据您的需求来选择配置EVOTEK产品。进入“选项”来查看产品的配置。
描述
技术说明
用途:吸油过滤器
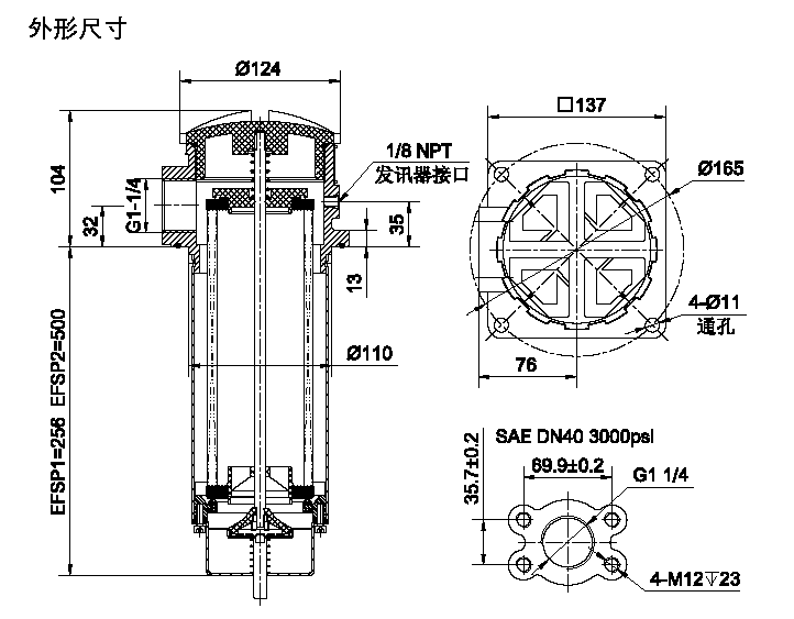
接口尺寸:G 1¼”,SAE DN40 3000 psi
流量:至100 l/min
旁通阀开启压力:Δp=0.3 bar ±10%
滤芯压差:1 bar
密封:丁腈橡胶或氟橡胶(-10°C至100°C)
材料
上盖:增强尼龙;上壳体:铸铝;下壳体:钢
与介质相容性:
适用于矿物油、润滑油、抗燃油和可快速生物分解的介质.
(若用于含水介质,请咨询我们的技术部。)
测试标准:
ISO2941 抗破裂性检验
ISO2942滤芯结构完整性试验
ISO2943材料与液体相容性检验
ISO3723滤芯额定轴向载荷检验
ISO3724液压滤芯流动疲劳特性的验证
ISO3968压降流量特性的评定
ISO16889评价滤芯过滤性能的多次通过法
关于产品的问题?
其他信息
| 表1 | 1, 2 |
|---|---|
| 表2 | BE, FE |
| 表3 | B, V |
| 表4 | W60, W25, W90 |
| 表5 | VA, VR, S02 |
您需要在 登录后发表评论。.









评论
目前还末有评论