+86 (21) 6896 9928 info@evotek-hyd.com
EFSR 产品图 01

EFSR

根据您的需求来选择配置EVOTEK产品。进入“选项”来查看产品的配置。

清除

描述

技术说明
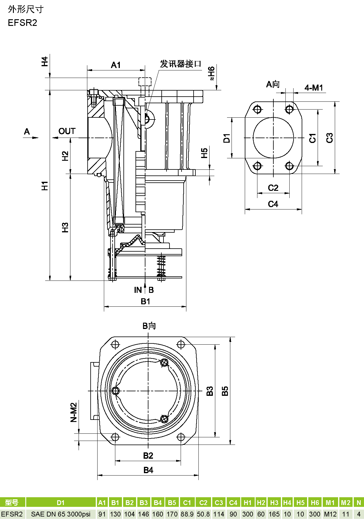
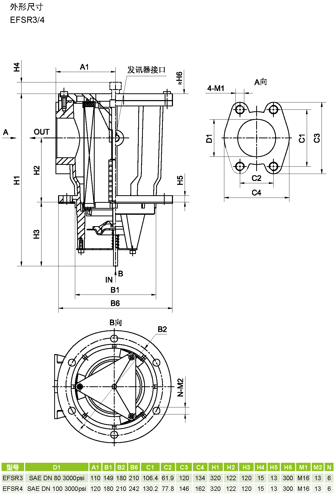
用途:油箱侧置自封吸油过滤器(滤芯中滤液流向为从内至外)
接口尺寸:SAE DN65 /SAE DN80 /SAE DN100 3000 psi
流量:至600 l/min
滤芯压差:1 bar
旁通阀开启压力:Δp=0.3 bar ±10%
密封:丁腈橡胶或氟橡胶(-10°C至100°C)
材料
上盖:铸铝;壳体:铝
与介质相容性:
适用于矿物油、润滑油、抗燃油和可快速生物分解的介质.
(若用于含水介质,请咨询我们的技术部。)
测试标准:
ISO2941 抗破裂性检验
ISO2942滤芯结构完整性试验
ISO2943材料与液体相容性检验
ISO3723滤芯额定轴向载荷检验
ISO3724液压滤芯流动疲劳特性的验证
ISO3968压降流量特性的评定
ISO16889评价滤芯过滤性能的多次通过法

关于产品的问题?

联系我们

其他信息

表1

2, 3, 4

表2

FG, FH, FL

表3

B, V

表4

W60, W125, W90

表5

00, VAR, VAL, S02R, S02L

评论

目前还末有评论

成为第一个评论 “EFSR” 的人