EVCD-CKCB
根据您的需求来选择配置EVOTEK产品。进入“选项”来查看产品的配置。
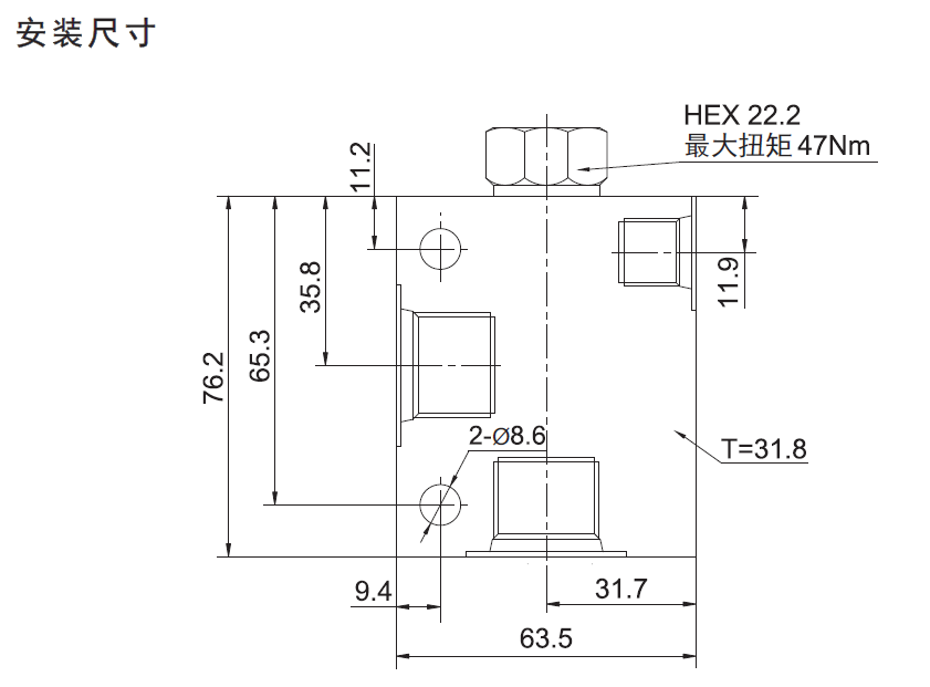
描述
技术参数
工作压力:350Bar
流量:60L/min
内泄漏:在350Bar时,最大为0.07ml/min
先导比:3:1
温度:-30° C to+120° C(-22° F to+250° F)
插孔:T-11A插孔
油液及粘度:矿物油或具有润滑性的合成油液;粘度7.4 to 420cSt.
产品特性
零件硬化处理,耐久性强
低泄漏
提供软管爆裂保护功能,防止负载坠落,很好地锁住高压负载
工作原理
此阀为先导液控单向阀。它具有非密封导压,钢质阀座并且为非透气型。它允许液流从阀口②向负载口①自由流动,截止其反向液流。先导口③的压力使阀开启从口①到口②的流道。口③需要的开启先导压力与口①的负载压力直接成正比,口②将直接抵抗先导压力。

关于产品的问题?
其他信息
| 表1 | A, B, C, D, E, F, Z |
|---|---|
| 表2 | B, V |
您需要在 登录后发表评论。.









评论
目前还末有评论