EVCD-CV16-20
Configure EVOTEK products according to your requirements. Go to options to see all configuration possibilities.
Description
Technical Specifications
Operating Pressure :240Bar
Flow:151L/min
Maximum internal leakage:5drops/min at 240bar
Operating temperature :-30°C to+120°C(-22°F to+250°F)
Cavity :VC16-2
Fluids:Mineral based or synthetic hydraulic fluid with lubricating properties
Fluid viscosity range:7.4 to 420cSt.
Features
Hardened seat for long life
Compact size
Industry common cavity
Low leakage design
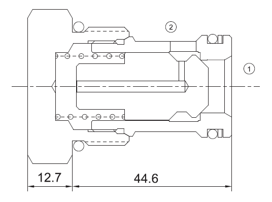
Operation
Pressure at①overcomes the spring-bias poppet and allows free flow①to②,
Flow in the opposite direction,from②to ① siblocked by the poppet。

Questions regarding the product?
Additional information
| Table1 | 0.3, 1.7, 2.1 |
|---|---|
| Table2 | B, V |
You must be logged in to post a review.








Reviews
There are no reviews yet.