+86 (21) 6896 9928 info@evotek-hyd.com
V50 产品图 01

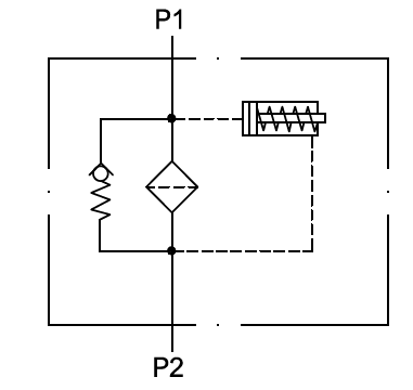
目视压差发讯器-V50

根据您的需求来选择配置EVOTEK产品。进入“选项”来查看产品的配置。

清除

描述

压差发讯器

目视压差发讯器(M20x1.5)

工作压力:至420 bar

接口:M20x1.5

密封:丁腈橡胶, -10°C至100°C型

关于产品的问题?

联系我们

其他信息

表1

V13, V20, V25, V50, V80

评论

目前还末有评论

成为第一个评论 “目视压差发讯器-V50” 的人