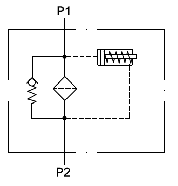
Visual Differential Indicator-V50 Configure EVOTEK products according to your requirements using product codes and order information in the tab “Options” below. Table1 Choose an optionV13V20V25V50V80Clear Quantity Add to cart Add to QuoteProduct Added to QuoteRemove from QuoteProduct Added to QuoteRemove from Quote Description Additional information Reviews (0) Description DescriptionOptionsDrawingsDownloadDescription Product Description Visual Differential Indicator Operating pressure:max. 420 bar Seals:NBR Temperature range:-10°C to 100°C Questions regarding the product? Contact us Options Drawings Download Download Specification EN Download Specification CN Additional information Table1 V13, V20, V25, V50, V80 Reviews There are no reviews yet. Be the first to review “Visual Differential Indicator-V50” Cancel replyYou must be logged in to post a review.
Reviews
There are no reviews yet.