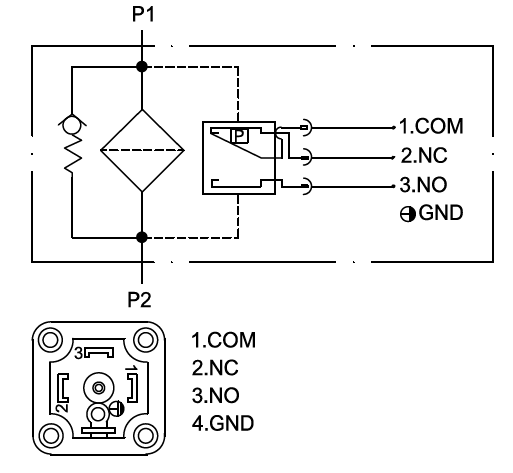
Electric Differential Pressure Indicator-5PE Configure EVOTEK products according to your requirements using product codes and order information in the tab “Options” below. Table1 Choose an option2PE5PE8PEClear Quantity Add to cart Add to QuoteProduct Added to QuoteRemove from QuoteProduct Added to QuoteRemove from Quote Description Additional information Reviews (0) Description DescriptionOptionsDrawingsDownloadDescription Product Description Differential Pressure Indicators Operating pressure:max. 420 bar Seals:NBR Temperature range:-10°C to 100°C Ingress protection:IP65 Electric characteristics:250 V AC, 1 A Questions regarding the product? Contact us Options Drawings Download Download Specification EN Download Specification CN Additional information Table1 2PE, 5PE, 8PE Reviews There are no reviews yet. Be the first to review “Electric Differential Pressure Indicator-5PE” Cancel replyYou must be logged in to post a review.
Reviews
There are no reviews yet.