EFRB
Description
Product Description
- Operating pressure up to 10 bar
- 500 l/min max. flow rate
- installation in Tank-top
- application in Cooling Circuits, Fluid Conditioning Systems, Lube Oil Systems, Process Systems, Return Lines
- compliant with industry relevant ISO standards(see ISO test below)
Technical Specifications
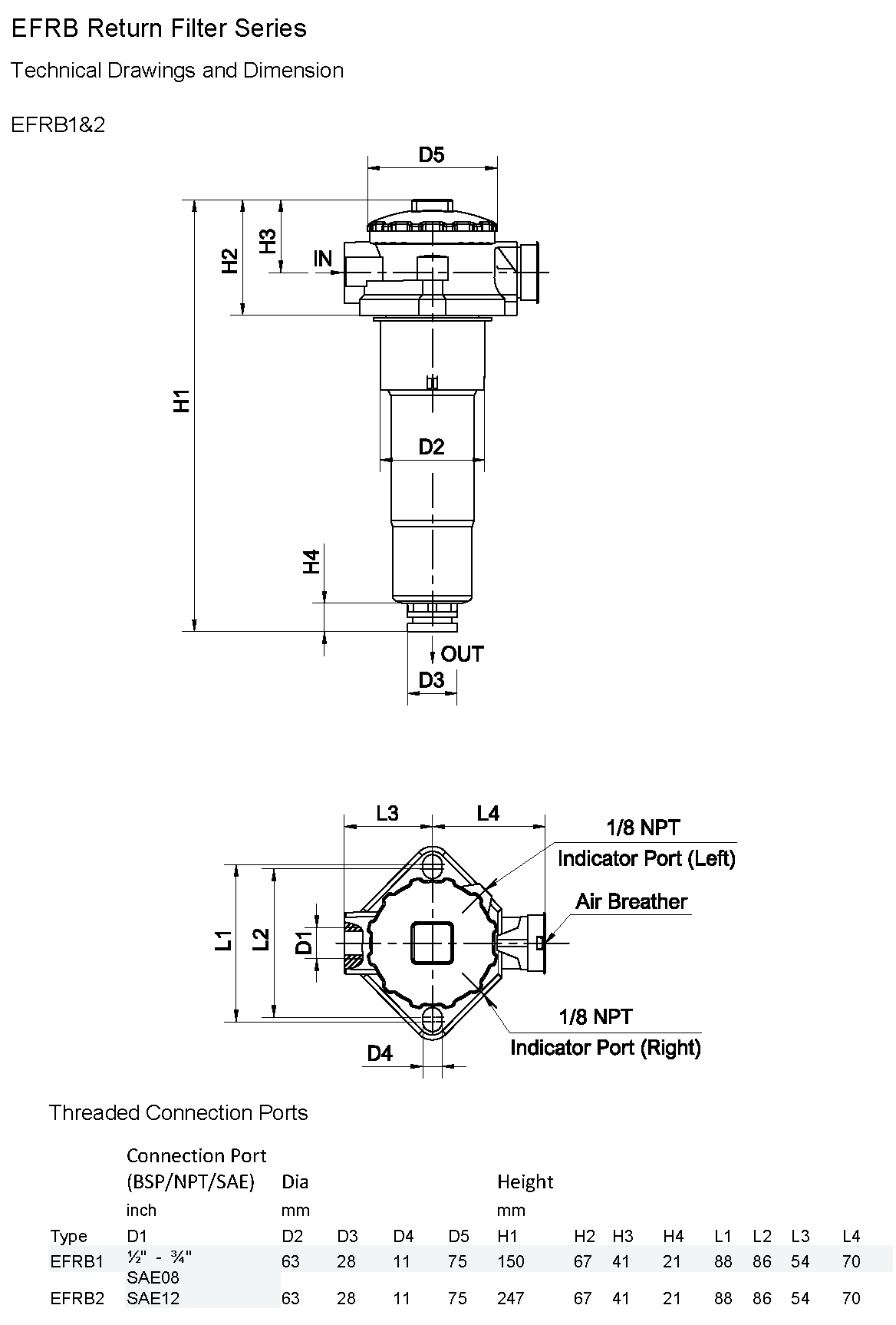
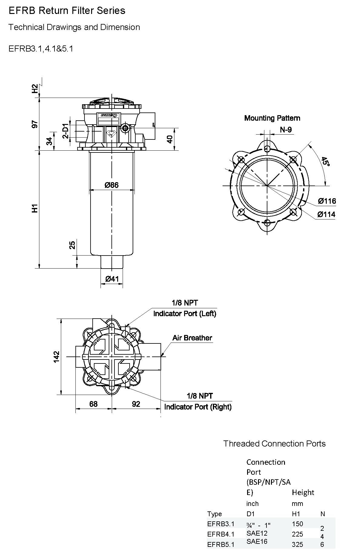
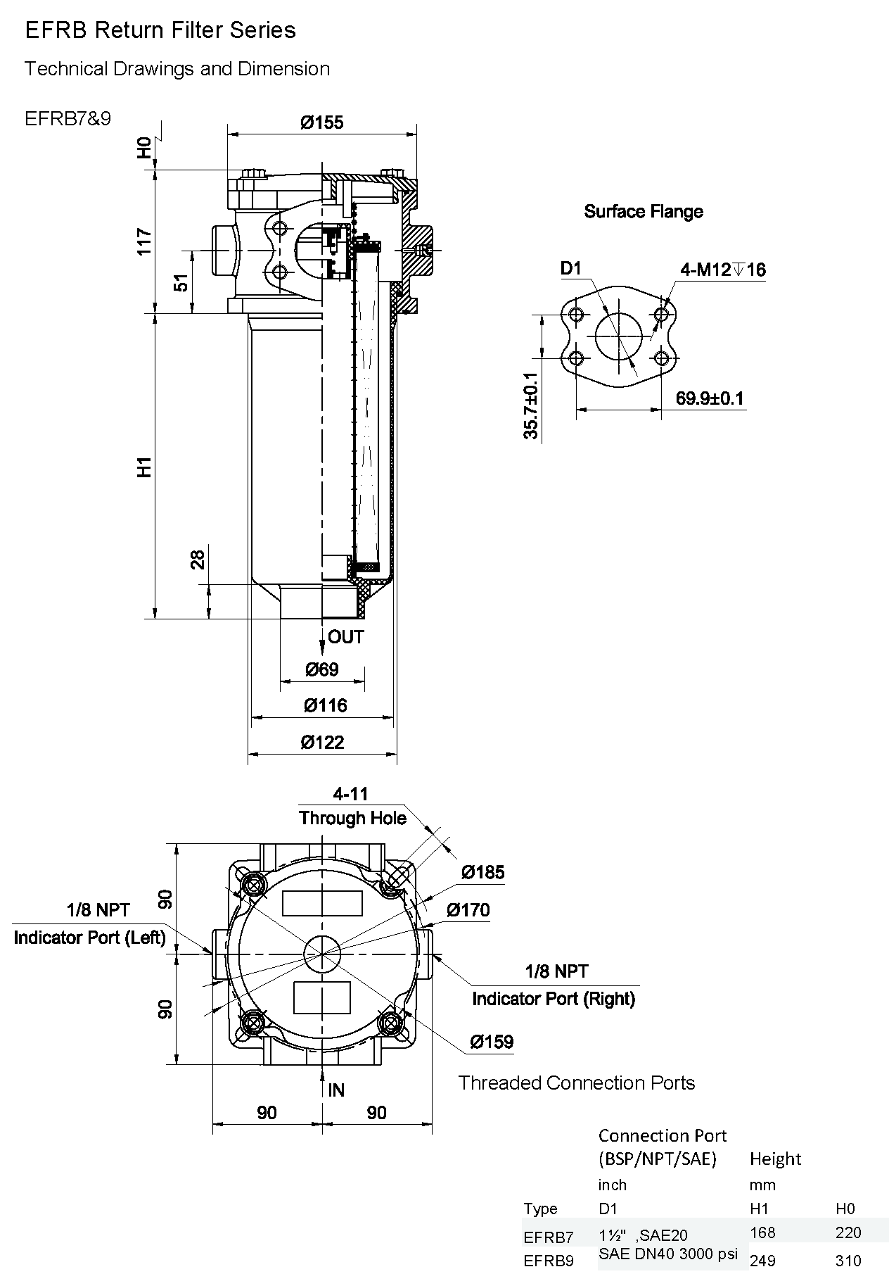
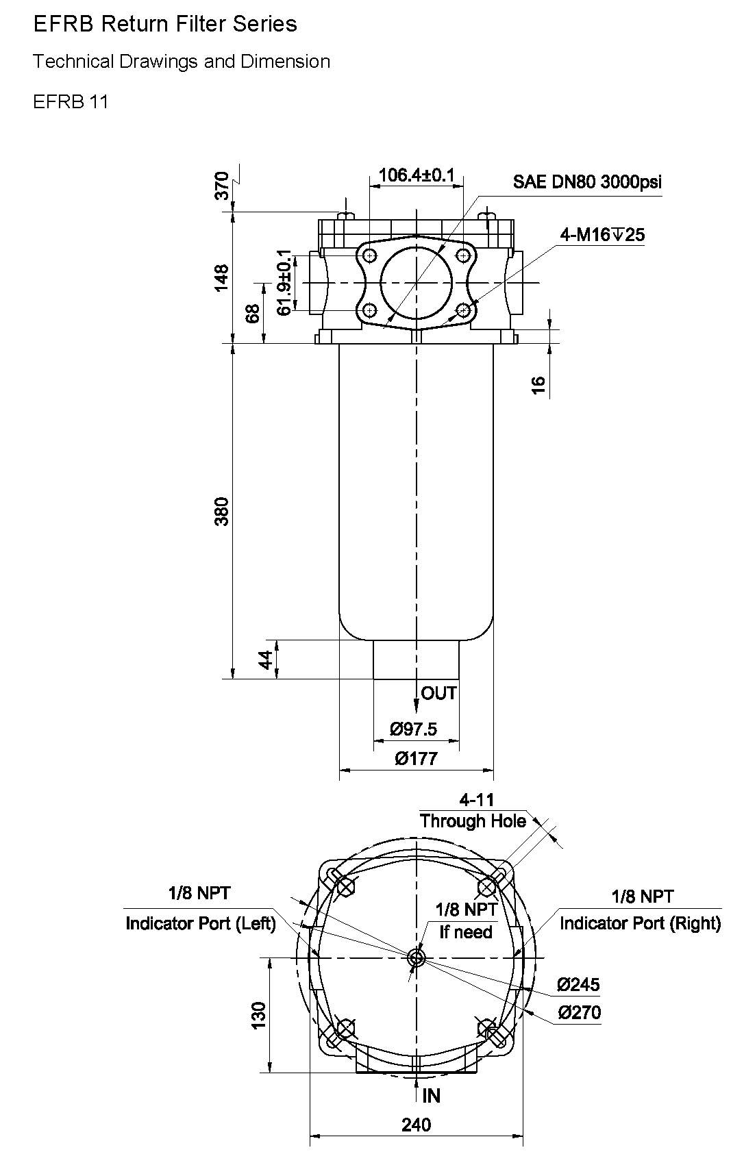
Application:Tank-top return filter
Port Sizes:Threaded Connections according to BSP and NPT standard in ½ ” to 1-½” and SAE08/SAE12/
SAE16/SAE20/SAE24 threads Flange Connections in SAE DN40/ SAE DN50 / SAE DN80 for 3000psi
Flow Rate:max. 500 l/min
Operating Pressure:max. 10 bar
Burst Pressure: min. 21 bar
Element Collapse Pressure:10 bar
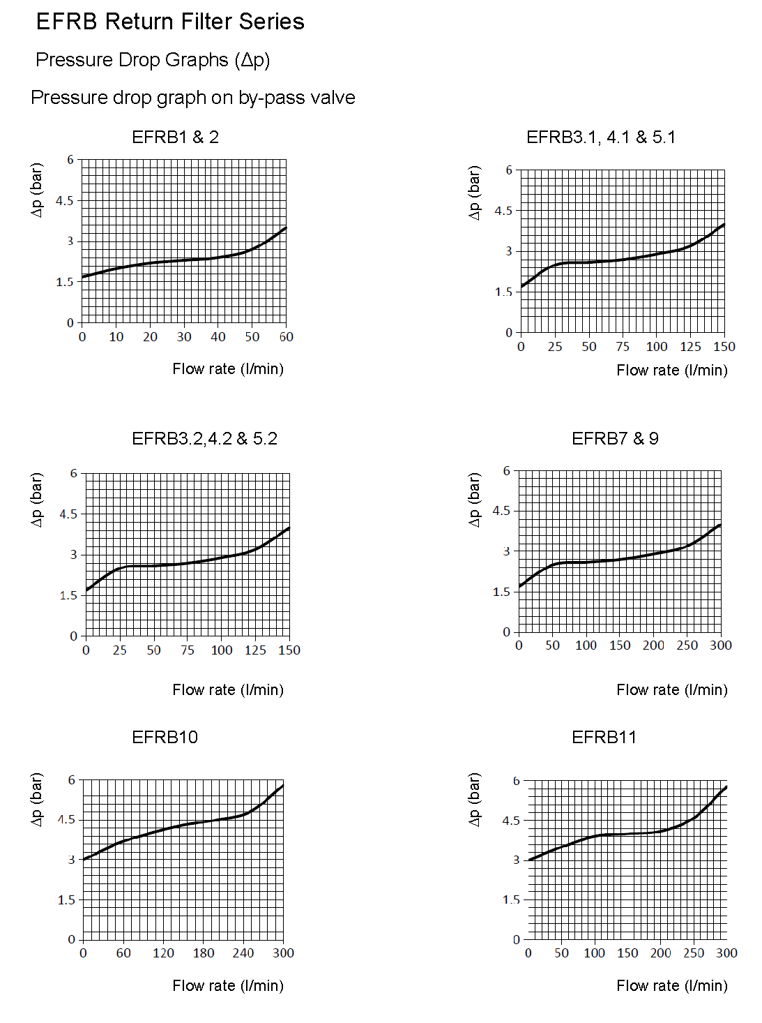
By-pass Opening Pressure:Δp=1.7 bar +0.3bar(EFRB1 to 5.1&EFRB10 )Δp=3.0 bar +0.3bar(EFRB7 ,9 & 11)
Material
Seals:NBR or FPM (-25°C to 100°C)
Filter Head:Aluminum
Filter Bowl:Polyamide
Compatibility:Suitable for mineral oils, lubrication oils, non-flam fluids, synthetic and rapidly biodegradable oils (for use with water or other fields please contact our technical department)
Tested according to ISO standards: ISO2941 Collapse/burst resistance
ISO2942 Fabrication integrity
ISO2943 Material compatibility integrity
ISO3723 Method for end load test
ISO3724 Flow fatigue characteristics
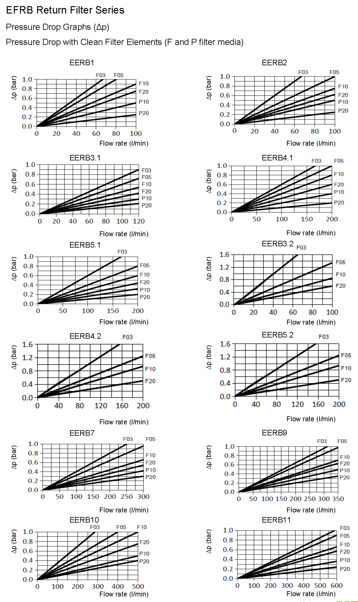
ISO3968 Pressure Drop vs. Flow Rate
ISO16889 Multi-Pass Test
Questions regarding the product?
Additional information
| Table1 | 7, 9, 10, 11 |
|---|---|
| Table2 | A08, A12, A16, A24, BB, BC, BD, NB, NC, ND, BF, NF, FE, FF, FH |
| Table3 | B, V |
| Table4 | 00, 06, 08 |
| Table5 | P10, P20, F03, F05, F10, F20, W25, W60, W90 |
| Table6 | 0, PZ, R15, PA, R20 |
| Table7 | N, Y |
You must be logged in to post a review.


















Reviews
There are no reviews yet.