EFRB
根据您的需求来选择配置EVOTEK产品。进入“选项”来查看产品的配置。
描述
技术说明
用途:油箱顶置式回油过滤器
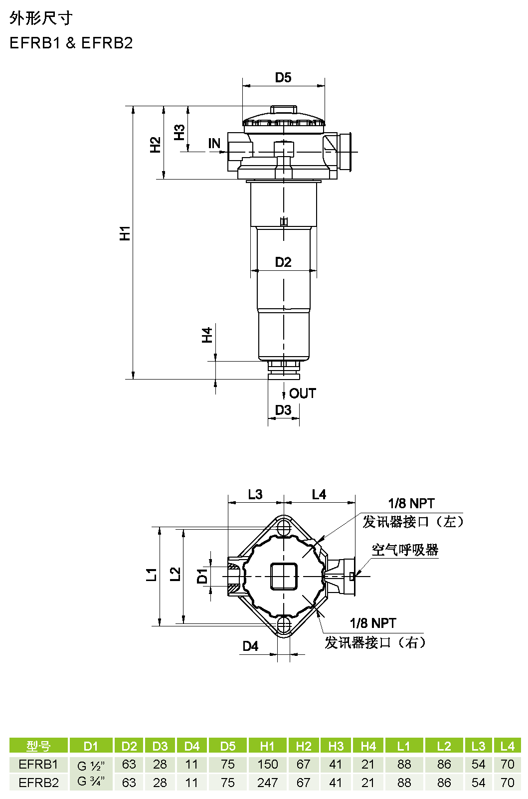
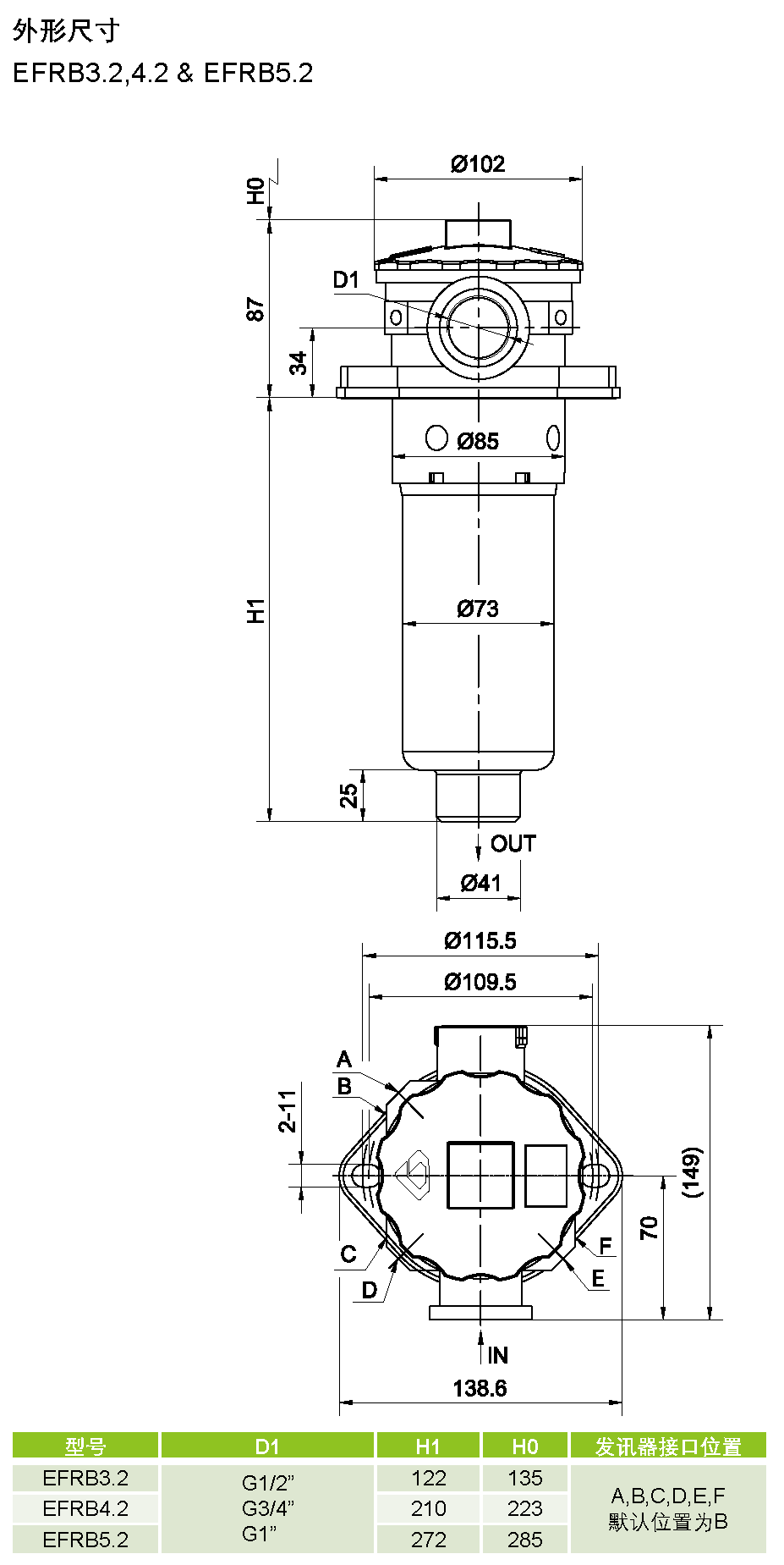
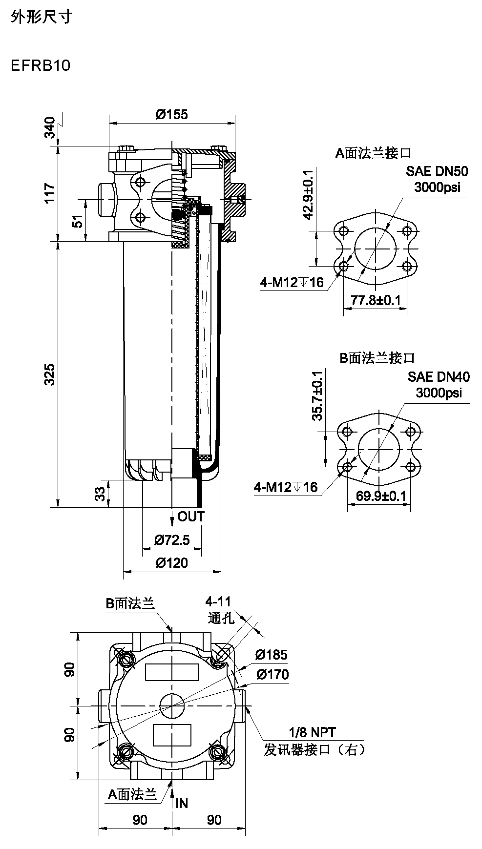
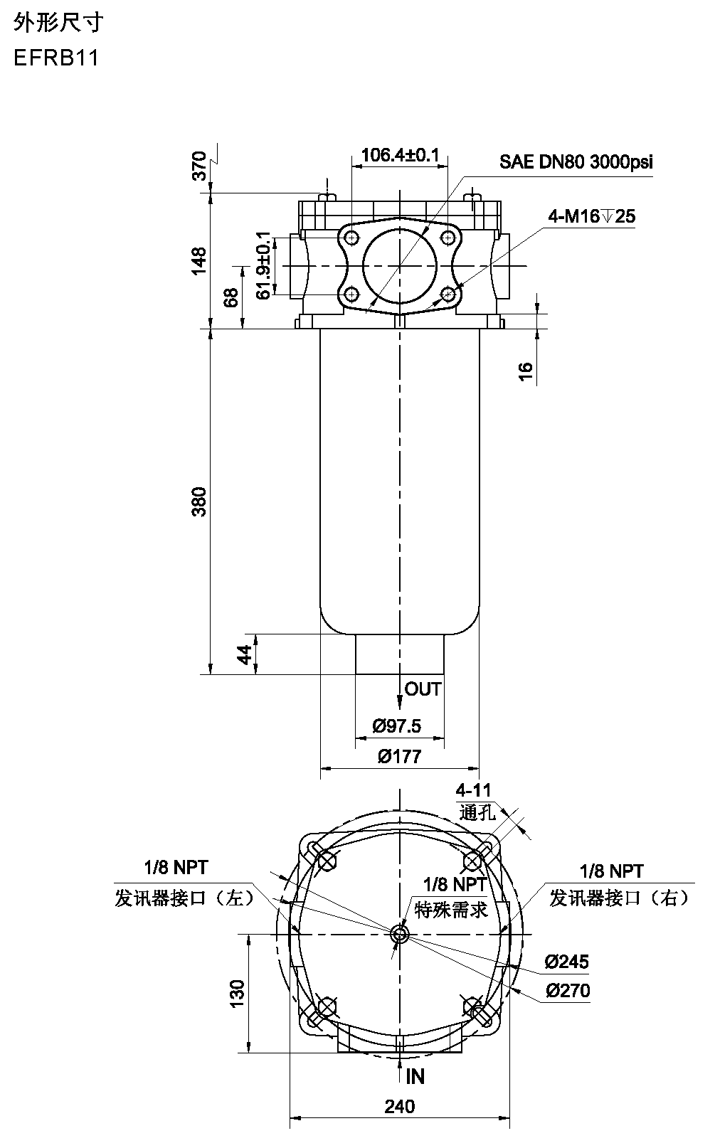
接口尺寸:
G ½”, G ¾”, G 1”, G 1½”
SAE DN 40 & 50 & 80 3000psi
流量:至500l/min
工作压力:最大至10 bar
爆破压力:21 bar
滤芯压差:10 bar
旁通阀开启压力:
ΔP = 1.7 bar +0.3bar(EFRB1~5.1,EFRB10)
ΔP = 3.0 bar ±10%(EFRB7,9,11&EFRB3.2~5.2)
密封:丁腈橡胶或氟橡胶(-10°C至100°C)
材料:
上壳体:铸铝;下壳体:增强尼龙
与介质相容性:
适用于矿物油、润滑油、抗燃油和可快速生物分解的介质.
(若用于含水介质,请咨询我们的技术部。)
测试标准:
ISO2941 抗破裂性检验
ISO2942滤芯结构完整性试验
ISO2943材料与液体相容性检验
ISO3723滤芯额定轴向载荷检验
ISO3724液压滤芯流动疲劳特性的验证
ISO3968压降流量特性的评定
ISO16889评价滤芯过滤性能的多次通过法
关于产品的问题?
其他信息
| 表1 | 1, 2, 3.1, 4.1, 5.1, 3.2, 4.2, 5.2 |
|---|---|
| 表2 | A08, A12, A16, BB, BC, BD, NB, NC, ND |
| 表3 | B, V |
| 表4 | 00, 06, 08 |
| 表5 | P10, P20, F03, F05, F10, F20, W25, W60, W90 |
| 表6 | 0, PZ, R15, PCA, PCB, PCC, PCD, PCE, PCF, R20A, R20B, R20C, R20D, R20E, R20F |
| 表7 | N, Y |
您需要在 登录后发表评论。.
















评论
目前还末有评论