+86 (21) 6896 9928 info@evotek-hyd.com
EVCE SV10 47C 产品图

EVCE-SV10-47C

根据您的需求来选择配置EVOTEK产品。进入“选项”来查看产品的配置。

清除

描述

技术参数

工作压力:240Bar

流量:23L/min

内泄漏:在207Bar时,最大为164ml/min

温度:-30°C to + 120°C

插孔:VC10-4插孔

油液及粘度:矿物油或具有润滑性的合成油液;粘度7.4 to 420cSt.

产品特性

零件硬化处理,耐久性强

工业通用插孔

高效能的电磁铁结构

结构紧凑

手控应急选件

电磁线圈适合连续工作

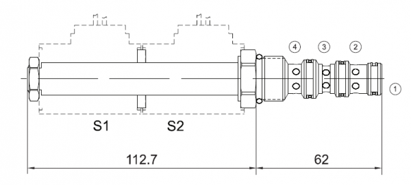
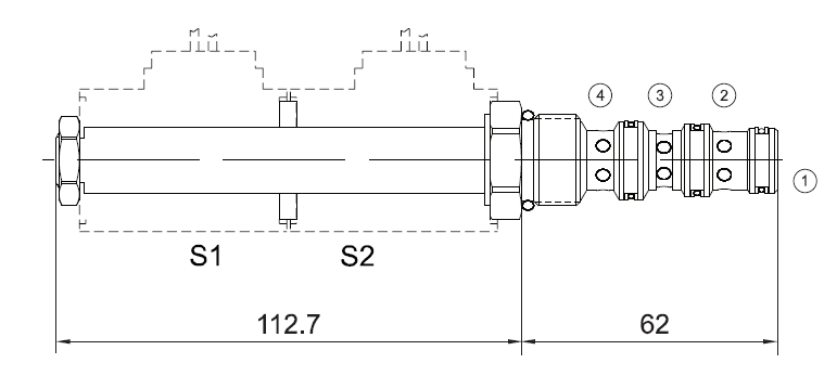
工作原理

断电时,所有油口截止。

线圈S1通电时,允许油液从③流向④,以及从②流向①。

线圈S2通电时,油液可以从③流向②,以及从④流向①。

关于产品的问题?

联系我们

其他信息

表1

M

表2

B, V

表3

12, 24, 110, 220

表4

H, F, A, D, S

评论

目前还末有评论

成为第一个评论 “EVCE-SV10-47C” 的人