+86 (21) 6896 9928 info@evotek-hyd.com
Efrd 01

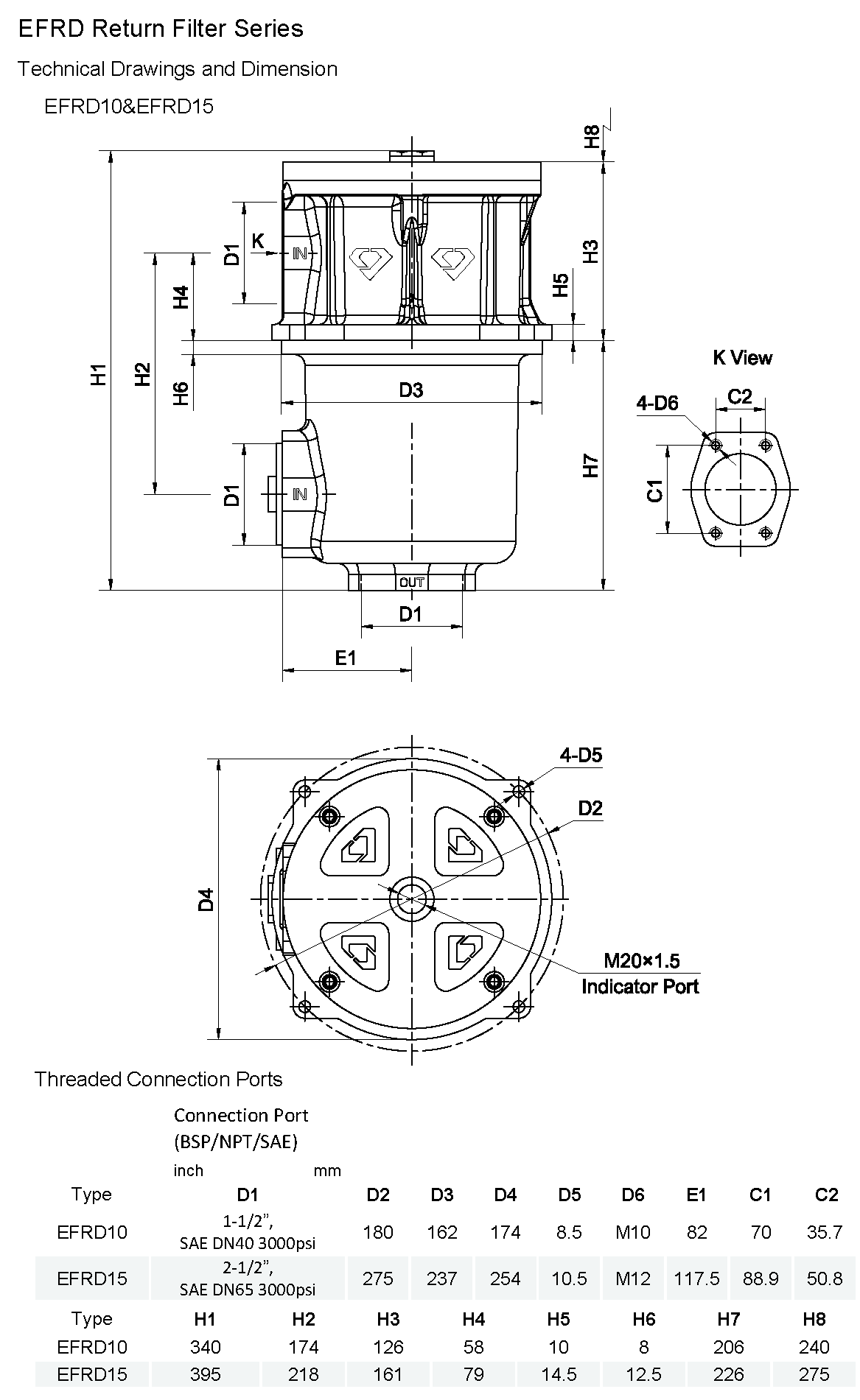
EFRD

Configure EVOTEK products according to your requirements using product codes and order information in the tab “Options” below.
Clear

Description

Product Description

Operating pressure up to 20 bar

  • 650 l/min max. flow rate
  • Install on top of tank
  • application in waste management trucks,mobile cranes, power packs, wheeled loaders, drilling equipment
  • compliant with industry relevant ISO standards(see ISO test below)

Technical Specifications

Application:Tank-top return filter

Port Sizes:Threaded Connections according to BSP and NPT standard in 1-½”and SAE20Flange Connections in SAE DN40 &SAE DN65 for 3000psi

Flow Rate:max. 650 l/min Flow Direction Inside to out flow direction ,keeping the filter bowl decontaminated and minimizing the risk of re-contamination during element change.

Operating Pressure:max. 20 bar

Burst Pressure: min. 60 bar

Element Collapse Pressure:10 bar

By-pass Opening Pressure:Δp=3 bar +0.3bar

Material Seals:NBR or FPM (-25°C to 100°C)

Filter Head:Aluminium

Filter Bowl:Zinc plated steel

Compatibility:Suitable for mineral oils, lubrication oils, non-flam fluids, synthetic and rapidly biodegradable oils (for use with water or other fields please contact our technical department)

Tested according to ISO standards:

ISO2941 Collapse/burst resistance

ISO2942 Fabrication integrity

ISO2943 Material compatibility integrity

ISO3723 Method for end load test

ISO3724 Flow fatigue characteristics

ISO3968 Pressure Drop vs. Flow Rate

ISO16889 Multi-Pass Test

Questions regarding the product?

Contact us

Additional information

Table1

10, 15

Table2

BF, BJ, NF, NJ, FE, FG

Table3

00, 08

Table4

B, V

Table5

P10, P20, F05, F10, W25, W60, W90, W125

Table6

0, V20, E20

Reviews

There are no reviews yet.

Be the first to review “EFRD”