+86 (21) 6896 9928 info@evotek-hyd.com
Evotek Hydraulich Duplex Filter

EFDM

Configure EVOTEK products according to your requirements. Go to options to see all configuration possibilities.

Clear

Description

Product Description

  • Operating pressure up to 210 bar
  • 400 l/min max. flow rate
  • installation in pressure line
  • application in Ship steering, Continuous operation industrial systems and High flow flushing systems
  • compliant with industry relevant ISO standards(see ISO test below)

Technical Specifications

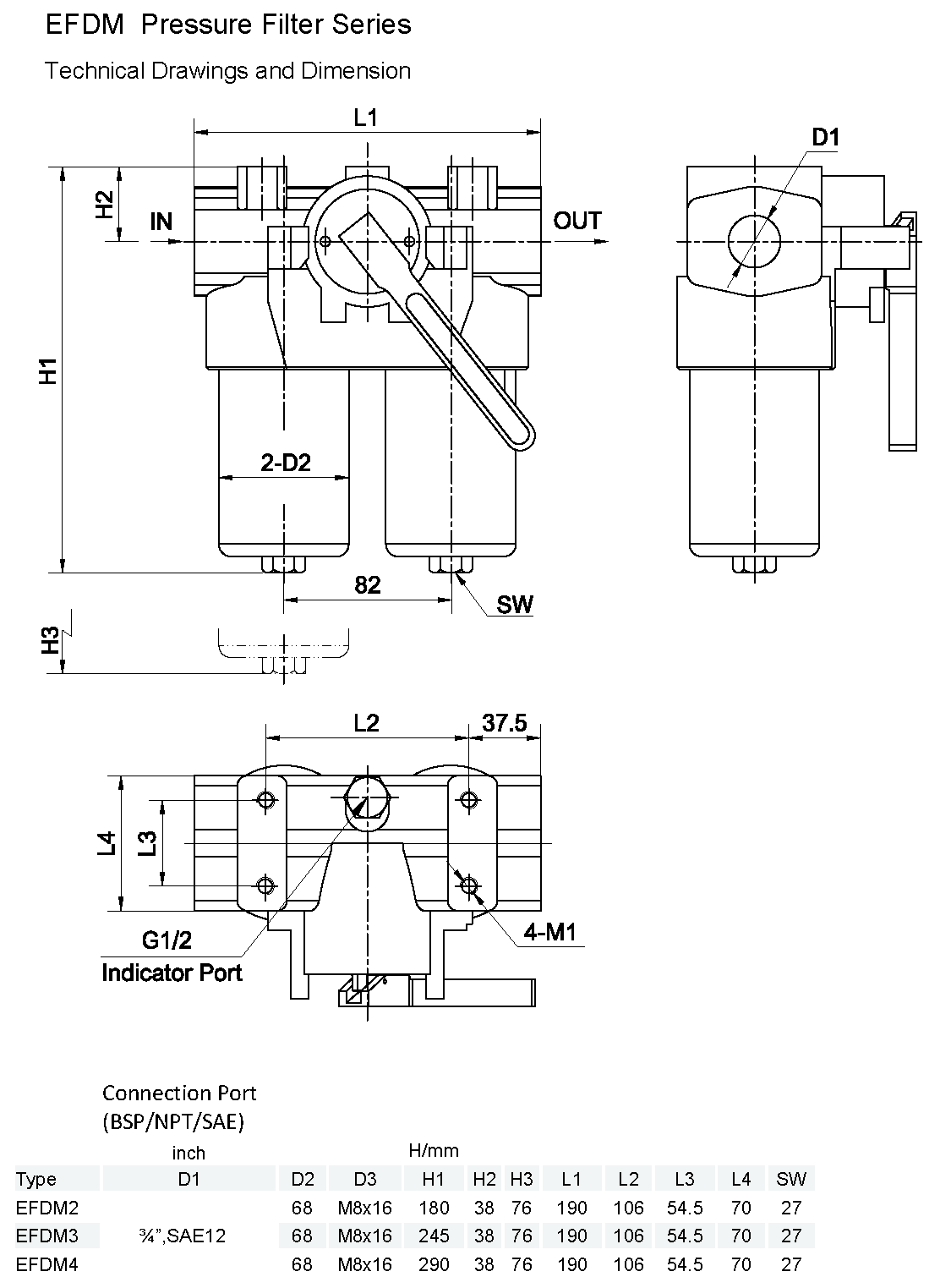
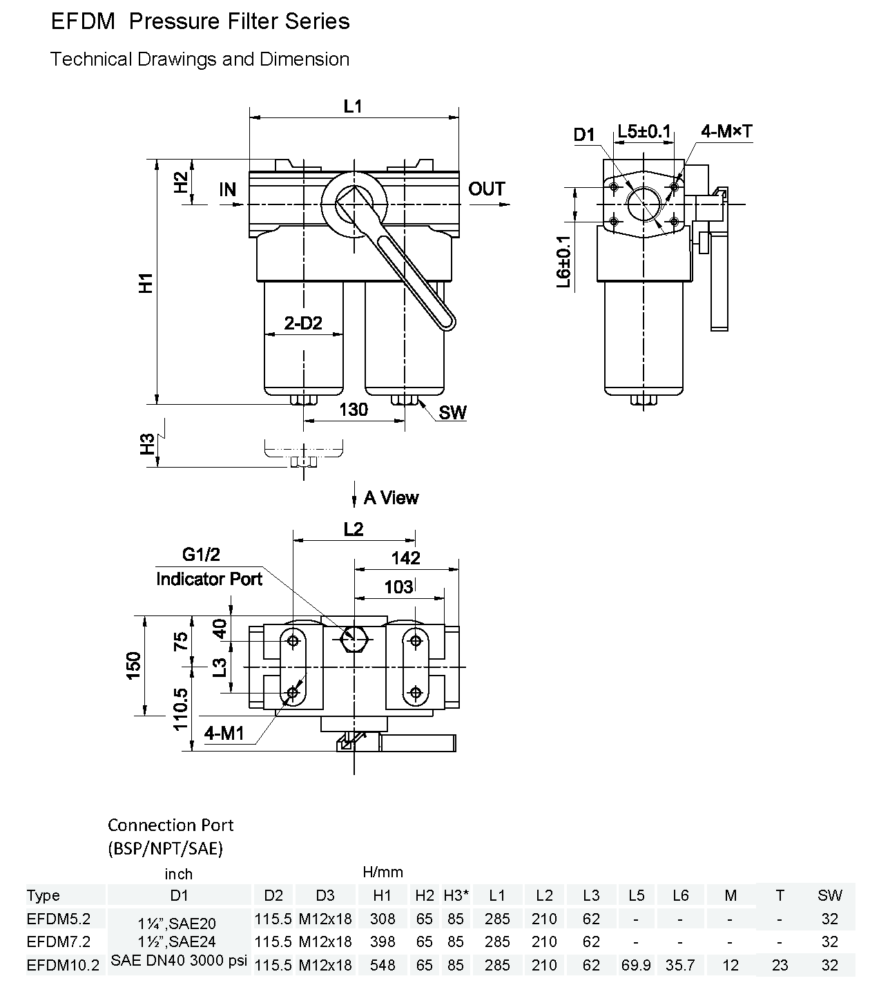
Application:In-line duplex filter

Port Sizes:Threaded Connections according to BSP and NPT standard in ¾”, 1-¼” ,1-½” inch SAE12/SAE20/SAE24 threads Flange Connections in SAE DN40 for 3000psi

Flow Rate:max. 400 l/min

Operating Pressure:max. 210 bar

Burst Pressure:min. 630 bar

Element Collapse Pressure:21 bar or 210 bar Fiberglass 30 bar Wire Mesh

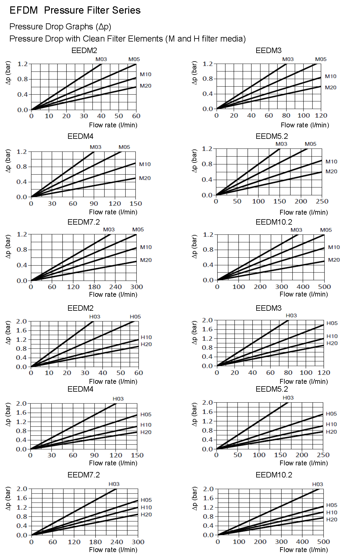
By-pass Opening Pressure:Δp =7bar ±0.5bar

Clogging indicator setting:Δp= 5bar ±10%

Material

Seals:NBR or FPM (-25°C to 100°C)

Filter Head:Cast iron

Filter Bowl:Steel

Compatibility:Suitable for mineral oils, lubrication oils, non-flam fluids, synthetic and rapidly biodegradable oils (for use with water or other fields please contact our technical department)

Tested according to ISO standards:

ISO2941 Collapse/burst resistance

ISO2942 Fabrication integrity

ISO2943 Material compatibility integrity

ISO3723 Method for end load test

ISO3724 Flow fatigue characteristics

ISO3968 Pressure Drop vs. Flow Rate

ISO16889 Multi-Pass Test

Questions regarding the product?

Contact us

Additional information

Table1

2, 3, 4, 5.2, 7.2, 10.2

Table2

BC, BE, BF, NC, NE, NF, A12, A20, A24, FE

Table3

00, 09, 12

Table4

B, V

Table5

M03, M05, M10, M20, H03, H05, H10, H20, Y25, Y60, Y90, Y125

Table6

00, 2.5PV, 2.5PE, 2.5PB, 5PV, 5PE, 5PB

Reviews

There are no reviews yet.

Be the first to review “EFDM”