EVCD-CVR10P
Description
Technical Specifications
Operating Pressure :350Bar
Flow:60L/min
Maximum internal leakage:2drops/min at 350bar
Operating temperature:-30°C to+120°C(-22°F to+250°F)
Cavity :VC10-2
Fluids:Mineral based or synthetic hydraulic fluid with lubricating properties
Fluid viscosity range:7.4 to 420cSt.
Features
Hardened seat for long life
Compact size
Industry common cavity
Low leakage design
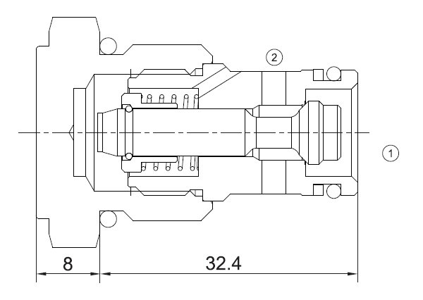
Operation
Pressure at①overcomes the spring-bias poppet and allows free flow①to②,
Flow in the opposite direction,from@to ① siblocked by the poppet。

Questions regarding the product?
Additional information
| Table1 | 0.3, 1.0, 2.0, 3.0 |
|---|---|
| Table2 | B, V |
You must be logged in to post a review.









Reviews
There are no reviews yet.