EVCP-PBDB
Configure EVOTEK products according to your requirements. Go to options to see all configuration possibilities.
Description
Technical Specifications
Operating Pressure :350Bar
Flow:40L/min
Control Pilot Flow :0.11-0.16L/min
Operating temperature :-30°C to + 120°C(-22°F to + 250°F)
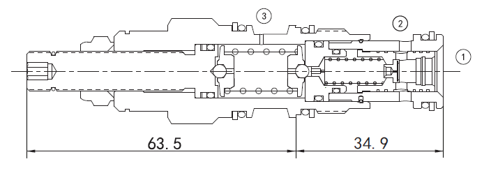
Cavity :T-11A
Fluids:Mineral based or synthetic hydraulic fluid with lubricating properties
Fluid viscosity range:7.4 to 420cSt.
Features
Full reverse flow from reduced pressure (port 1) to inlet (port 2) may cause the main spool to
close. If reverse free flow is required in the circuit, consider adding a separate check valve to
the circuit.
Pilot operated Valve exhibit exceptionally flat pressure/flow characteristics, are very stable
and have low hysteresis.
Operation
Pilot-operated, pressure reducing Valve reduce a high primary pressure at the inlet (port 2) to a constant reduced pressure at port 1, allowing circuits with multiple pressure requirements to be operated using a single pump.

Questions regarding the product?
Additional information
| Table1 | A, B, W, N, Q, C, D, E, G, K, P |
|---|---|
| Table2 | B, V |
You must be logged in to post a review.









Reviews
There are no reviews yet.