EVCF-RA10
Description
Technical Specifications
Operating Pressure :240Bar
Flow:3-26L/min
Flow Maintenance Accuracy :±15%
Operating temperature :-30°C to+ 120°C(-22° to+ 250°F)
Cavity :VC10-2
Fluids:Mineral based or synthetic hydraulic fluid with lubricating properties
Fluid viscosity range:7.4 to 420cSt.
Features
Hardened seat for long life
Compact size
Industry common cavity
Desired settings may be locked down.
Operation
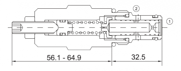
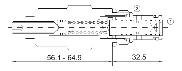
The valve maintains a constant flow within specified accuracies from ① to ② regardless of
downstream load pressure. When flow produces a minimum predetermined pressure differential
across the compensator spool control orifice, the spool shifts against the spring force to throttle
the flow and maintain the flow setting. Reverse flow is not regulated.

Questions regarding the product?
Additional information
| Table1 | M4, M16 |
|---|---|
| Table2 | B, V |
You must be logged in to post a review.









Reviews
There are no reviews yet.