EFDR
描述
技术说明
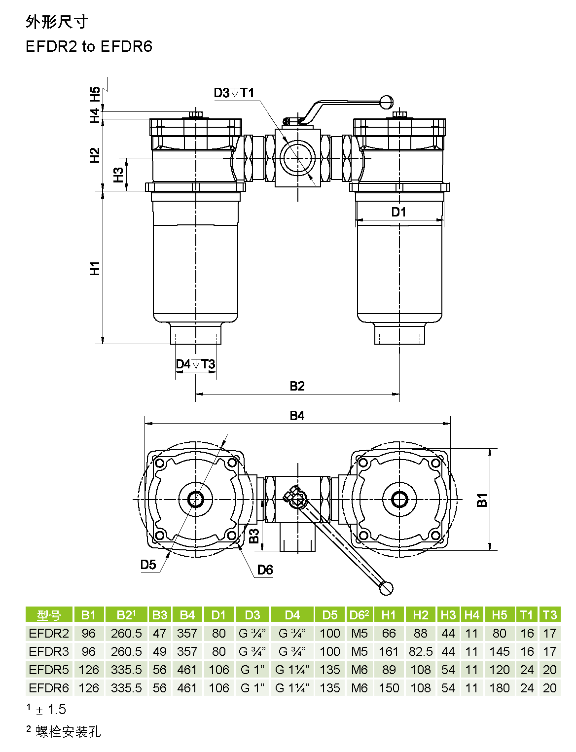
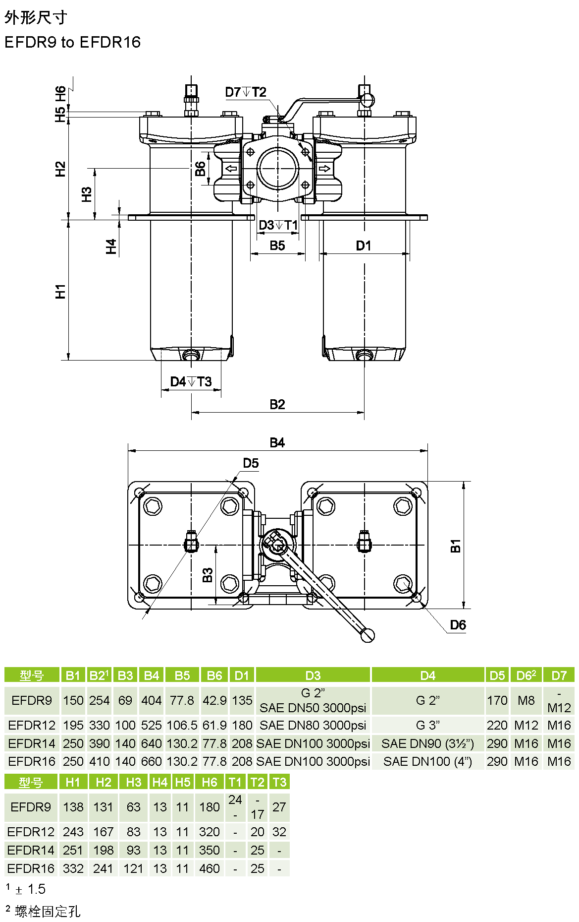
用途:双筒回油/管路过滤器
接口尺寸:
G¾”, G1”, G2”
SAE DN50 & SAE DN80 & SAE DN100 3000 psi
流量:至1300 l/min
工作压力:最大25 bar
爆破压力:83 bar
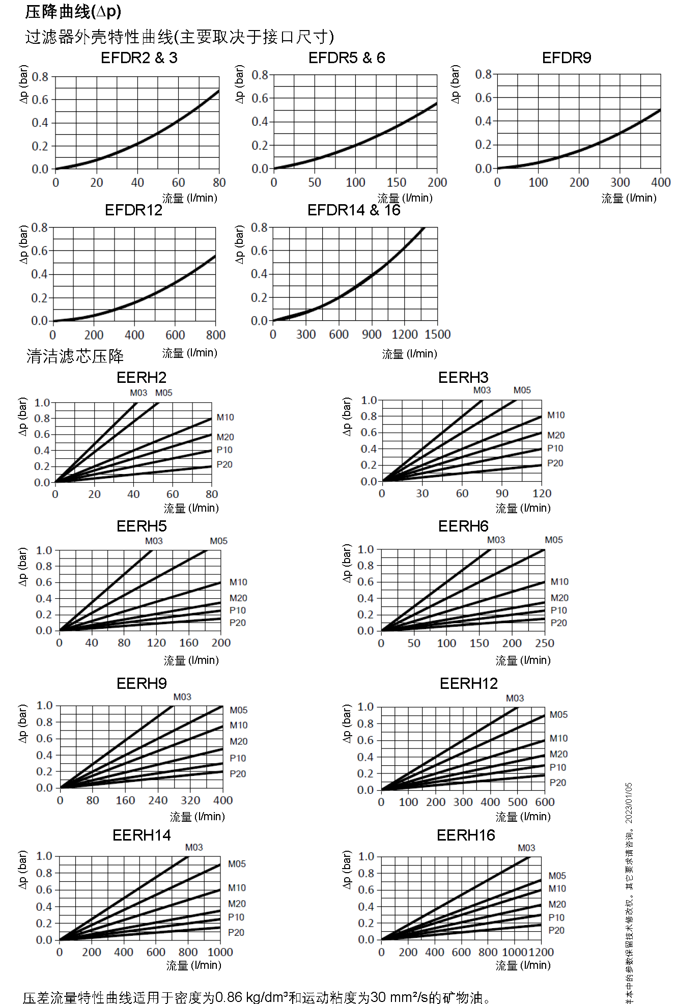
滤芯压差:
10 bar(滤纸)
21 bar(玻璃纤维)
30bar(金属网)
旁通阀开启压力:ΔP = 3 bar ±0.5 bar
密封:丁腈橡胶或氟橡胶(-10°C至100°C)
材料:铸铁
与介质相容性:
适用于矿物油、润滑油、抗燃油和可快速生物分解的介质.
(若用于含水介质,请咨询我们的技术部。)
测试标准:
ISO2941 抗破裂性检验
ISO2942滤芯结构完整性试验
ISO2943材料与液体相容性检验
ISO3723滤芯额定轴向载荷检验
ISO3724液压滤芯流动疲劳特性的验证
ISO3968压降流量特性的评定
ISO16889评价滤芯过滤性能的多次通过法
关于产品的问题?
其他信息
| 表1 | 2, 3, 5, 6, 9, 12, 14, 16 |
|---|---|
| 表2 | BC, BD, BH, FF, FH, FL |
| 表3 | B, V |
| 表4 | 00, 08 |
| 表5 | P10, P20, M03, M05, M10, M20, Y25, Y60, Y90, Y125 |
| 表6 | 00, 2RE |
您需要在 登录后发表评论。.










评论
目前还末有评论