EFDL
Description
Product Description
- Operating pressure up to 25 bar
- 1300 l/min max. flow rate
- installation in line
- application in Lube oil systems, Power generation plants, Primary metal equipment, Pulp & paper equipment, Offshore drilling and oil patch and Flushing skids
- compliant with industry relevant ISO standards(see ISO test below)
Technical Specifications
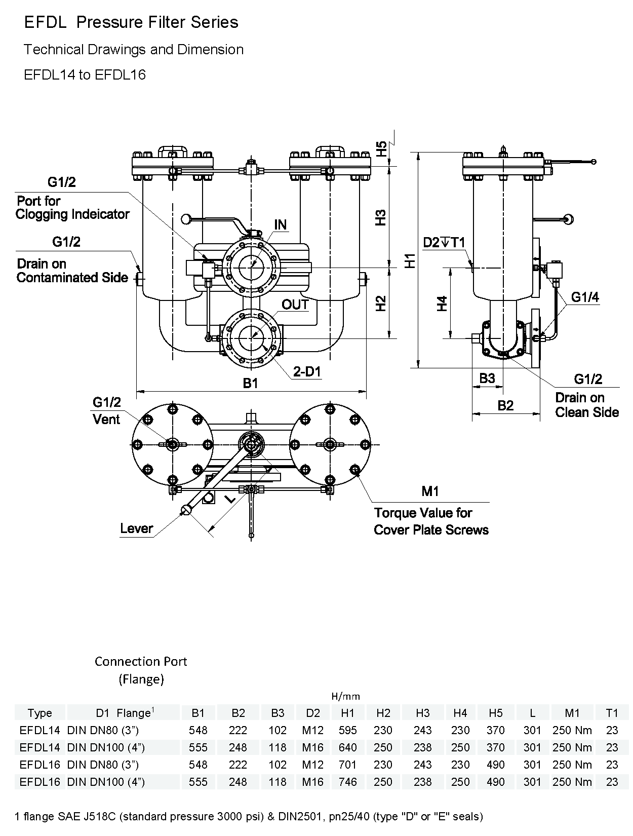
Application:In-line duplex filter
Port Sizes:Threaded Connections according to BSP standard in 1 ”, 1-½ ” inch
Flange Connections in SAE DN25 & SAE DN40 & SAE DN50 & SAE DN65 3000psi, SAE&DIN DN80 3000psi,SAE&DIN DN100 3000psi
Flow Rate:max. 1300 l/min
Operating Pressure:max. 25 bar
Burst Pressure:min. 75bar
Element Collapse Pressure:10 bar Cellulose,21 bar Fiberglass,30 bar Wire Mesh
By-pass Opening Pressure:
Δp =3bar ±0.5bar
Clogging indicator setting:
Δp= 2bar ±10%
Material
Seals:NBR or FPM (-25°C to 100°C)
Filter Head:Cast iron
Filter Bowl:Cast iron
Compatibility:Suitable for mineral oils, lubrication oils, non-flam fluids, synthetic and rapidly biodegradable oils (for use with water or other fields please contactour technical department)
Tested according to ISO standards:
ISO2941 Collapse/burst resistance
ISO2942 Fabrication integrity
ISO2943 Material compatibility integrity
ISO3723 Method for end load test
ISO3724 Flow fatigue characteristics
ISO3968 Pressure Drop vs. Flow Rate
ISO16889 Multi-Pass Test
Questions regarding the product?
Additional information
| Table1 | 3, 6, 9, 11, 12, 13, 14, 16 |
|---|---|
| Table2 | BD, BF, FC, FE, FF, FG, DH, DI |
| Table3 | B, V |
| Table4 | 00, 08, X |
| Table5 | P10, P20, M03, M05, M10, M20, Y25, Y60, Y90, Y125 |
| Table6 | 00, 2PE, 2PB |
You must be logged in to post a review.











Reviews
There are no reviews yet.