EFMT
Description
Product Description
- Operating pressure up to 315 bar
- 110 l/min max. flow rate
- installation in manifold block mounting
- application in manifold block mounting
- compliant with industry relevant ISO standards(see ISO test below)
Technical Specifications
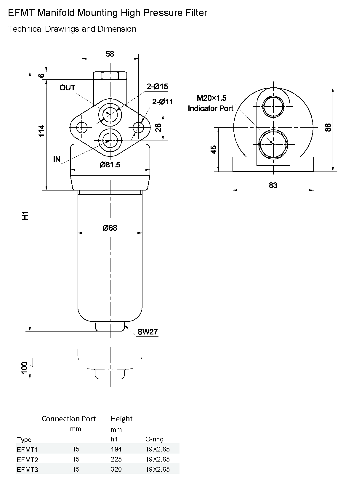
Application:Manifold mounting high pressure filter
Port Sizes:15 mm
Flow Rate:max. 110 l/min
Operating Pressure:max. 315 bar
Burst Pressure: min. 950 bar
Element Collapse Pressure:10 bar ( P series), 21 bar ( M series),210 bar (H series ), 30 bar (Y series)
By-pass Opening Pressure:Δp=3.5bar +10% or Δp=6 bar +10%
Material
Seals:NBR or FPM (-25°C to 100°C)
Filter Head:S.G. cast iron
Filter Bowl:forged steel
Compatibility:Suitable for mineral oils, lubrication oils, non-flam fluids, synthetic and rapidly biodegradable oils (for use with water or other fields please contact our technical department)
Tested according to ISO standards: ISO2941 Collapse/burst resistance
ISO2942 Fabrication integrity
ISO2943 Material compatibility integrity
ISO3723 Method for end load test
ISO3724 Flow fatigue characteristics
ISO3968 Pressure Drop vs. Flow Rate
ISO16889 Multi-Pass Test
Questions regarding the product?
Additional information
| Table1 | 1, 2, 3 |
|---|---|
| Table2 | CB |
| Table3 | 00, 09, 11 |
| Table4 | B, V |
| Table5 | M03, M05, M10, M20, H03, H05, H10, H20, Y25, Y60, P10, P20 |
| Table6 | 00, V50, V25, E25, E50, E50T, E50S |
You must be logged in to post a review.









Reviews
There are no reviews yet.