EVCE-SV08-47B
Configure EVOTEK products according to your requirements. Go to options to see all configuration possibilities.
Description
Technical Specifications
Operating Pressure :210Bar
Flow:11.4L/min
Internal leakage:328ml/min at210bar
Operating temperature :-30°Ct o+ 120°C(-22°F to+ 250°F)
Cavity :VC08-4
Fluids:Mineral based or synthetic hydraulic fluid with lubricating properties
Fluid viscosity range :7.4 to 420cSt.
Features
Hardened seat for long life
Compact size
Industry common cavity
Continuous-duty rated solenoid
Optional coil voltages and terminations
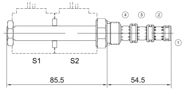
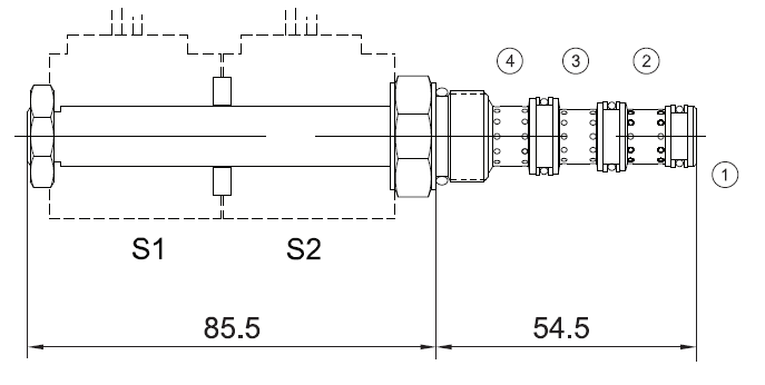
Operation
When de-energized, the EVCE-SV08-47B has all ports connected. When coil 1 is energized,
flow is allowed from 3 to 4, and from 2 to 1.When coil 2is energized, flow is allowed from 3 to
2, and from 4 to 1.

Questions regarding the product?
Additional information
| Table1 | M |
|---|---|
| Table2 | B, V |
| Table3 | 12, 24, 110, 220 |
| Table4 | H, F, A, D, S |
You must be logged in to post a review.









Reviews
There are no reviews yet.