EVCP-RDBA
Configure EVOTEK products according to your requirements. Go to options to see all configuration possibilities.
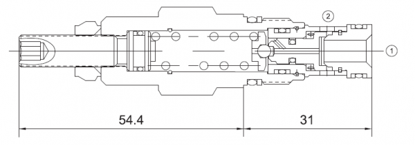
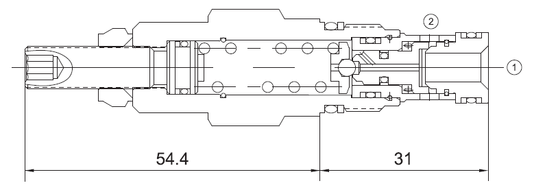
Description
Technical Specifications
Operating Pressure :350Bar
Flow:45L/min
Operating temperature :-30°C to+ 120°C(-22°F to+ 250°F)
Cavity:T-162A
Fluids:Mineral based or synthetic hydraulic fluid with lubricating properties
Fluid viscosity range:7.4 to 420cSt.
Features
Will accept maximum pressure at port 2;suitable for use in cross port relief circuits.
-The seals on the adjust screw are exposed to system pressure which means this valve
can only be adjusted when the pressure is removed.
The setting procedure is; check the setting, remove the pressure,adjust the valve, check
the new setting.
Valve is relatively insensitive to varying oil temperatures and oil contamination.
Operation
Direct-acting relief cartridges are normally closed, pressure-limiting Valve used to protect hydraulic components from pressure transients. When the pressure at the inlet (port 1) reaches the valve setting, the valve starts to open to tank (port 2), throttling flow to limit the pressure rise. These Valves are smooth and quiet, essentially zero leak, dirt tolerant, immune to silting and are very fast.

Questions regarding the product?
Additional information
| Table1 | A, B, W, C, D, E, S |
|---|---|
| Table2 | B, V |
You must be logged in to post a review.









Reviews
There are no reviews yet.