+86 (21) 6896 9928 info@evotek-hyd.com
球阀开关 01

Limit / Proximity Switches

Configure EVOTEK products according to your requirements using product codes and order information in the tab “Options” below.
Clear

Description

Product Description
The limit switch can convert the opening or closing status of the ball valve into an electrical signal, facilitating remote display and monitoring of the opening and closing status of the ball valve.
All ball valves can be supplied with Limit controls.

Technical Specifications

Limit Switch

Contacts type and composition: 1 NC +1 NO
Protection class: IP 65
Mechanical durability: 10 x 106 cycles
Permitted ambient temperature: -25 °C to +70 °C
Wiring diagram:

Inductive proximity switch:
Type of construction: Cylindrical form M12
Sensing distance: 4 mm
Setting distance: 0 to 3.2 mm
Output: NPN open collector /NO
Protection class: IP 67
Power supply voltage: 10 – 30 V DC (including 10% ripple (p-p))
Nominal voltage: 12 – 24 V DC
Switching current: ≤ 200 mA
Current consumption: < 10 mA
Switching frequency: 1000 Hz
Permitted ambient temperature: -25 °C to +70 °C
Function display: LED
Circuit Diagrams:

Questions regarding the product?

Contact us

Additional information

Table1

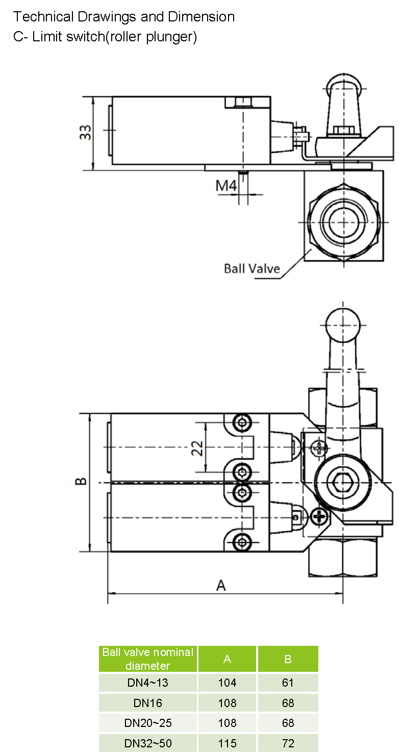
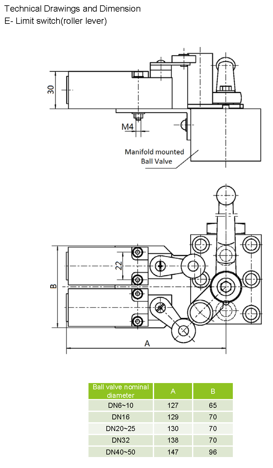
C, E, L

Table2

0, 1, 2, 3

Reviews

There are no reviews yet.

Be the first to review “Limit / Proximity Switches”