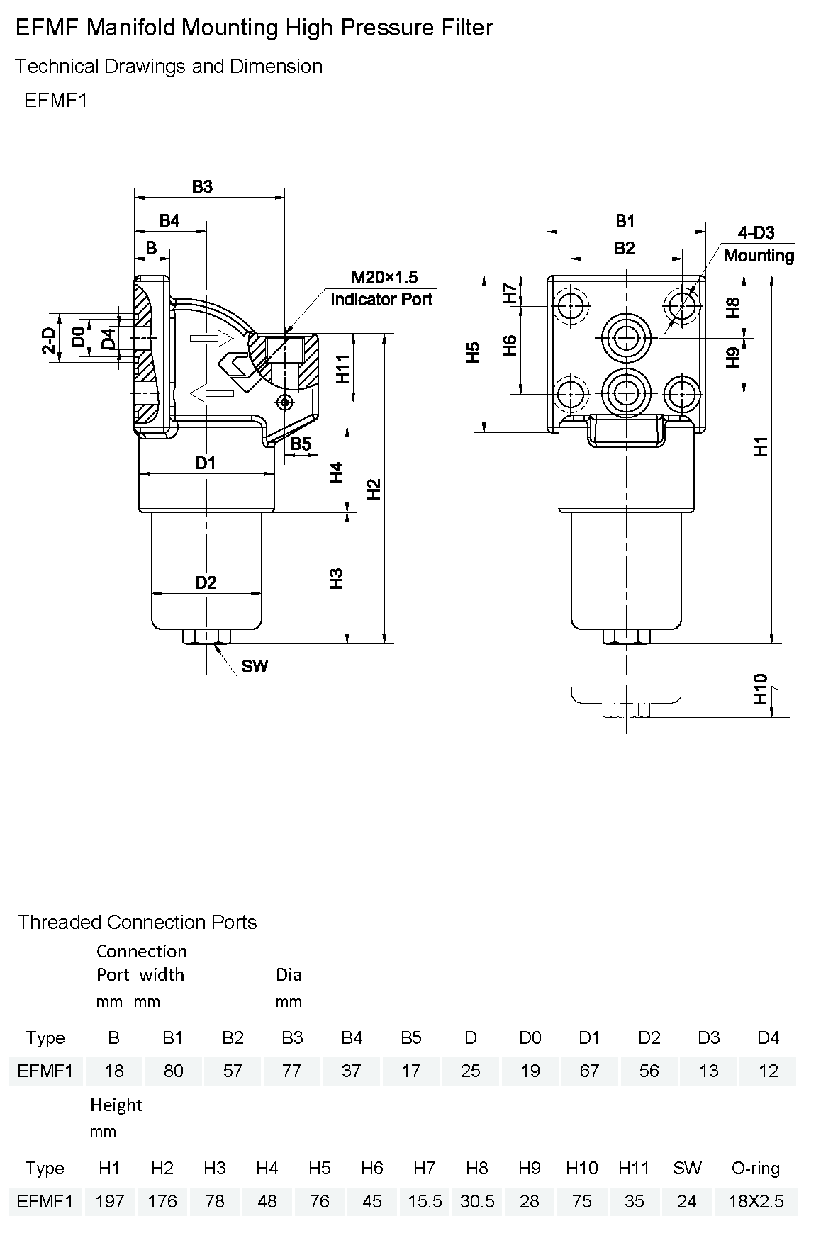
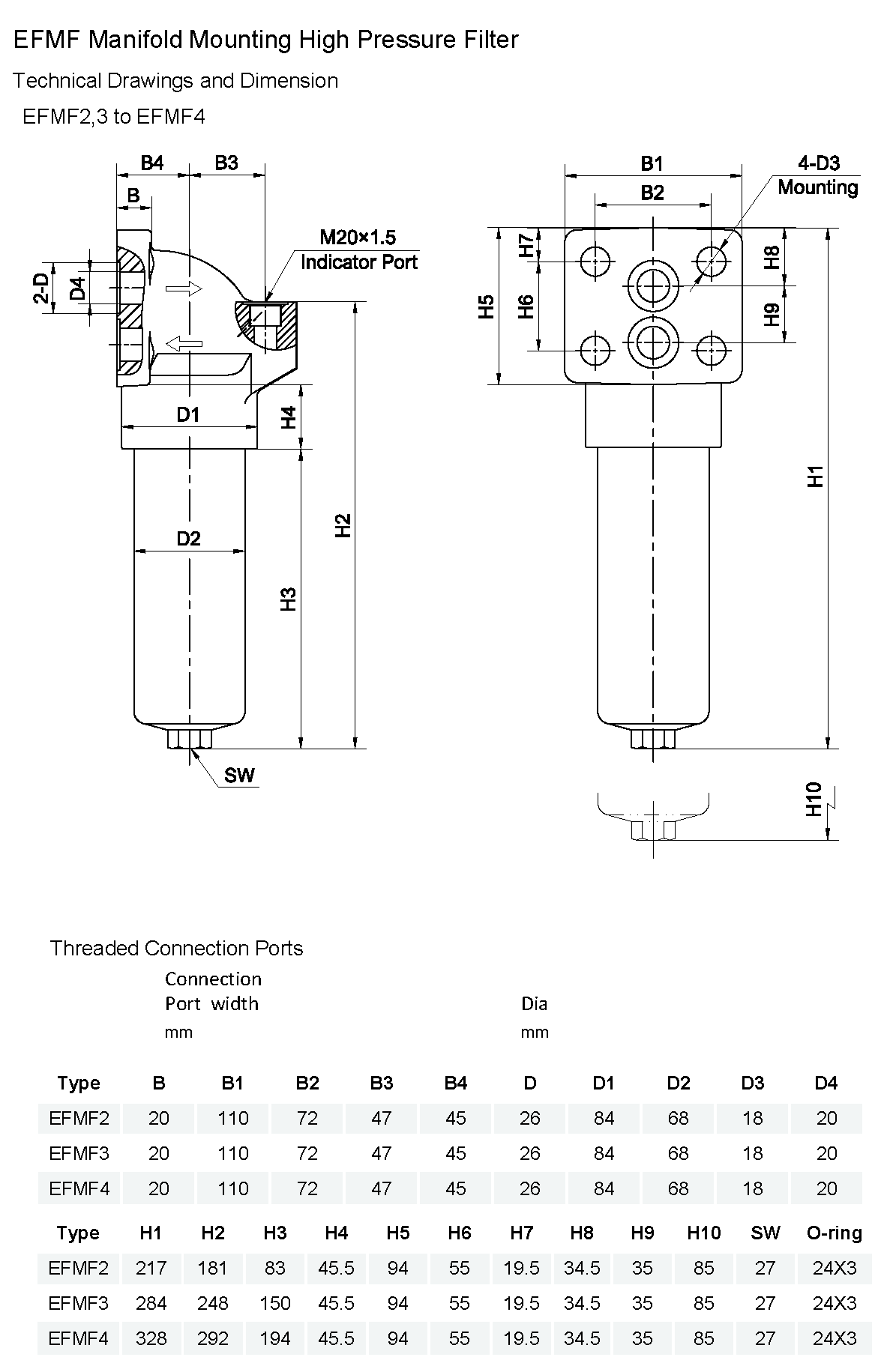
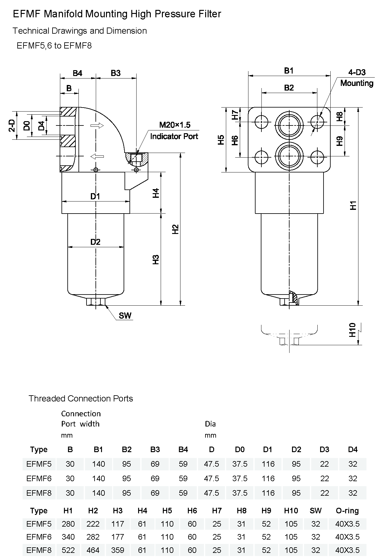
EFMF
Description
Product Description
- Operating pressure up to 315 bar
- 550 l/min max. flow rate
- installation in manifold block mounting
- application in manifold block mounting
- compliant with industry relevant ISO standards(see ISO test below)
Technical Specifications
Application:Manifold mounting high pressure filter
Port Sizes:14, 20, 30 & 32 mm
Flow Rate:max. 550 l/min
Operating Pressure:max. 315 bar
Burst Pressure: min. 950 bar
Element Collapse Pressure:21 bar (M series), 210 bar (H series),30 bar Wire Mesh
By-pass Opening Pressure:Δp= 6 bar +0.6bar
Material
Seals:NBR or FPM (-25°C to 100°C)
Filter Head:S.G. cast iron
Filter Bowl:forged steel
Compatibility:Suitable for mineral oils, lubrication oils, non-flam fluids, synthetic and rapidly biodegradable oils (for use with water or other fields please contact our technical department)
Tested according to ISO standards: ISO2941 Collapse/burst resistance
ISO2942 Fabrication integrity
ISO2943 Material compatibility integrity
ISO3723 Method for end load test
ISO3724 Flow fatigue characteristics
ISO3968 Pressure Drop vs. Flow Rate
ISO16889 Multi-Pass Test
Questions regarding the product?













